ĐẶC ĐIỂM NỔI BẬT

Điện áp: 125/250VAC
Dòng định mức: 3A
Điện áp ngõ vào sử dụng cho điện áp từ 115...250VAC
Tần số hoạt động: 50/60Hz
Nhiệt độ hoạt động: -25°C đến 85°C
Độ suy giảm nhiễu: -50 dB
Tiêu chuẩn : UL 1283
Số pha: 1 pha
Hiệu xuất cao

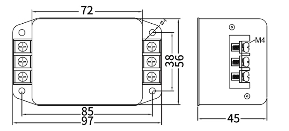
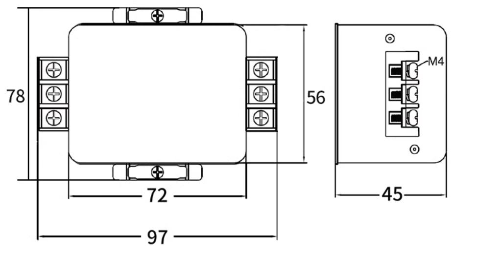
Kích thước Lọc nguồn loại không có thanh cài

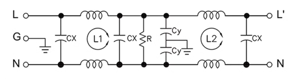
Sơ đồ nguyên lý Bộ lọc nguồn

Nâng cao chất lượng điện năng sau lọc
Giảm hiện tượng nhiễu sóng gây phát nhiệt cho các thiết bị
Bộ lọc đồng thời cũng lọc các sóng nhiễu sinh ra từ thiết bị quay ngược vào hệ thống , sẽ giúp các thiết bị ổn định, chính xác và tăng tuổi thọ
Ứng dụng
Dùng để lọc nguồn đầu cho thiết bị dân dụng như: máy tính, thiết bị âm thanh, hệ thống camera, máy xay xát, máy hàn, máy khoan ,...
Dùng để lọc nguồn đầu cho dây chuyền công nghiệp như: lọc nguồn cho biến tần 1 pha, bộ nguồn DC, máy hàn, máy cắt, máy CNC, nguồn robot,..

Lắp bộ nguồn trong thực tế
Sản phẩm tương tự :