Bộ nguồn Omron S8FS-15024 6.5A 24V 150W là loại kinh tế có giá thành thấp với độ bền cao, dễ dàng lắp đặt DIN Rails với chân đế. Sản phẩm được sử dụng rộng rãi trong nhiều ứng dụng tại nhà máy tự động hóa
-
Nguồn tổ ong có khả năng chống nhiễu tốt với bộ lọc chất lượng cao
-
Tính năng lọc sóng hài từ các bo điều khiển hoặc biến tần lên đến hàng chục kHz, khử nhiễu tốt, tăng tính ổn định cho mạch điều khiển
-
Chịu được điện áp đầu vào tối đa đến 300VAC
-
Chịu được điện áp xung đột biến lên đến 1.5 lần
-
Vỏ hợp kim nhôm kết hợp tổ ong được làm bằng thép không gỉ mang đến độ bền trên 3 năm, tản nhiệt cực tốt.
-
Các chi tiết được hoàn thiện tỉ mỉ, bề mặt được làm bóng giúp gia tăng khả năng chống bám bụi.
-
Chip nguồn và tụ được sản xuất riêng bởi OMRON giúp tăng tuổi thọ của thiết bị
Nguồn cấp |
100 – 240 VAC, 50/60 Hz. 1 pha. Lựa chọn nguồn cấp bằng Switch |
Điện áp ngõ ra |
24VDC. Có thể điều chỉnh −10% đến 10% (bằng biến trở) |
Dòng điện ngõ ra |
6.5A |
Công suất tiêu thụ |
150W |
Bảo vệ quá tải ngõ ra |
Có. Tự động Reset |
Bảo vệ quá áp |
Bộ nguồn tự động ngắt khi điện áp ngõ ra vượt quá 115% |
Hiển thị ngõ ra |
Đèn led xanh |
Nhiệt độ làm việc |
−20 đến 60°C (không ngưng tụ và đóng băng) |
Độ ẩm làm việc |
20% đến 90% |
Tiêu chuẩn |
UL, CSA, CCC, EN |
Kiểu lắp đặt |
Cài trên thanh ray, bắt vít |
Chức năng bảo vệ |
Bảo vệ quá tải, quá áp, chống rung, bảo vệ sốc điện |
Hiệu suất |
75% ~ 90% |
Phụ kiện gắn thanh ray |
Bát gá (Mua riêng) |




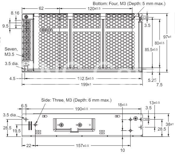
Kích thước bộ nguồn S8FS-C15024

Lựa chọn Nguồn
Mã sản phẩm |
Điện áp ngõ vào |
Điện áp ngõ ra |
Dòng điện |
Công suất |
S8FS-C02524 |
100-240VAC |
24VDC |
1.1A |
25W |
S8FS-C03524 |
100-240VAC |
24VDC |
1.45A |
35W |
S8FS-C05024 |
100-240VAC |
24VDC |
2.2A |
50W |
S8FS-C07524 |
100-240VAC |
24VDC |
3.2A |
75W |
S8FS-C10024 |
100-240VAC |
24VDC |
4.5A |
100W |
S8FS-C15024 |
100-240VAC |
24VDC |
6.5A |
150W |
S8FS-C20024 |
100-240VAC |
24VDC |
8.8A |
200W |
S8FS-C35024 |
100-240VAC |
24VDC |
14.6A |
350W |




